

Adopting a core through type residual current sensor does not affect the circuit structure of the primary equipment and does not increase the residual voltage at the high-voltage end of the lightning arrester;
Strong anti-interference ability, especially the ability to resist interference from power frequency magnetic fields;
Real time monitoring and recording of leakage current and discharge action information of lightning arresters, allowing for historical queries on leakage current and discharge action time;
When the leakage current value exceeds the set threshold, the normally open contact will close and trigger an alarm. The threshold can be set according to requirements;
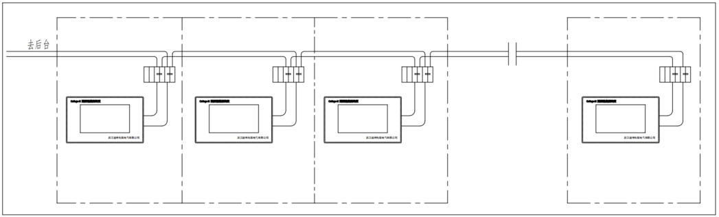
Communicate with backend monitoring devices through RS485 bus; Meet the technical specifications of QGDW12355_2023 Smart Substation Part 4: Digital Remote Transmission Meter, Communication Requirements (see Appendix 1)
Performance: Meets the Technical Specification for Smart Substations Part 4: Digital Remote Transmission Meter (Q/GDW 12355.4-2023);
供電:AC/DC110V (AC/DC220V);
Display: 4.3 'TFT LCD;
Monitoring: full current, number of actions;
Communication: RS485;
WechatCopyright ? 2026 powered by Wuhan Yikun Xianjian Electric Co., Ltd. 鄂ICP備2021022314號-1